跑狗网论坛新一代,2005新澳门天天开好彩2025,222434cm新一代跑狗,澳门新跑狗图全年图库,2005新澳门天天开好彩九五至尊

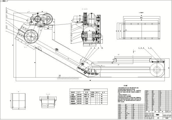
刮板输送机
奥创机械
2024-02-26 14:48:51
0
刮板输送机介绍:
刮板输送机是输送粉尘状、小颗粒及块状等散状物料的连续输送设备,可以水平、倾斜和垂直输送。
散料具有内摩擦力和侧压力等特性。
水平输送时,物料受到刮板链条在运动方向的推力,当料层间的内摩擦力大于物料与槽壁间的外摩擦力时,物料就随着刮板链条向前运动。
在料层高度与机槽宽度之比值满足一定的条件时,料流是稳定的。垂直输送时,主要依赖物料所具有的起拱特性。
刮板输送机可输送物料:碎煤、碎粉、碎炉潭、飞灰、烟灰、炭黑、磷矿粉、碳酸氢铵、尿素、氯化铵、苏打粉、硫铁矿潭、塑料单体、活性炭、固体农药、焦炭粉、石灰石粉、铬矿粉、白云石粉、铜精矿粉、氧化铝粉、氧化铁粉、石英砂,烧结返矿、水泥、粘土粉、陶土、黄砂、铸造旧砂、小麦、大豆玉米、菜籽、米、糖、淀粉、谷物类、谷物麦、木片、竹片、锯床等,MZ型埋刮板输送机推荐用于锅炉房上煤及输送谷物类(如小麦、玉米、大豆等)和轻物料类(如木片、锯床等)。
刮板输送机
刮板输送机图纸:
刮板输送机
刮板输送机类型:
刮板输送机
刮板输送机选型方式:
刮板输送机

相关内容

热门资讯

主站蜘蛛池模板: 三码必中一免费资料| 开奖现场直播澳门开奖结果查询| 澳门内部正版资料大全下| 2024新澳门六合彩资料大全| 888电影网剧情篇播放| 度度电视剧高清在线 | 7777788888王中王中特v| 体育赛事市场分析| 113影视网影视迅雷| 东北警察故事高清完整免费观看| 香港最快开奖中特网| 奥门特马开马开奖结果今天| 2022年澳门历史开奖结果记录查询| 旧老澳门2023历史开奖记录大全开46| 管家婆三肖三码必出| 澳门三肖六码免费资料期期看| 澳门六叔公网| 天天看片高清影视在线观看| 精灵鼠小弟2中文版免费播放| 免费追剧的软件不要广告 | 2021年搞笑电影排行榜前十名| 四肖八码正版资料期期准最新下载| 赛车总动员2| 2022年澳门一肖一码资料| 巴德尔和迈因霍夫 | 管家婆一码一肖资料大全四柱预测| 知否在线观看电视剧全集免费高清| 新澳最新查询结果| 新澳2024开奖结果开奖记录| 澳彩天天开奖记录6749| 小鱼儿澳门免费资料查询 | 2024新奥历史开奖记录查询| 澳门免费资料大全一肖一码| 2024年新澳门必开37期一肖| 澳门6749三肖三码 | 澳门六合刘伯温| 澳门四肖八码期期准预测| 长津湖之水门桥电影在线观看高清 | 香港今期开奖结果直播视频| 王中王心水高手论坛下载地址 | 澳门今晚一肖一码100%精准|